○川西町地域経済牽引事業の促進に係る固定資産税の課税免除に関する条例施行規則
令和2年1月6日
規則第3号
(趣旨)
第1条 この規則は、川西町地域経済牽引事業の促進に係る固定資産税の課税免除に関する条例(平成31年3月川西町条例第8号。以下「条例」という。)の施行に関し必要な事項を定めるものとする。
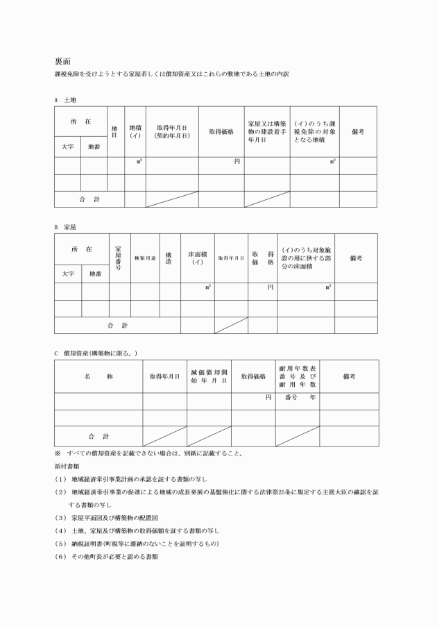
(1) 地域経済牽引事業計画の承認を証する書類の写し
(2) 地域経済牽引事業の促進による地域の成長発展の基盤強化に関する法律第25条に規定する主務大臣の確認を証する書類の写し
(3) 家屋平面図及び構築物の配置図
(4) 土地、家屋及び構築物の取得価額を証する書類の写し
(5) 納税証明書(町税等に滞納のないことを証明するもの)
(6) その他町長が必要と認める書類
(1) 申請の内容を変更したとき。事業変更届(様式第3号)
(2) 申請に係る事業を休止し、又は廃止したとき。事業休止(廃止)届(様式第4号)
附則
この規則は、公布の日から施行する。
附則(令和5年規則第25―1号)
この規則は、公布の日から施行する。






